Лебедка ТЛ-9А

Лебедка тяговая электрическая ТЛ-9А предназначена для производства подъемно-транспортных операций при строительных, монтажных и других работах, а также для комплектации строительных подъемных устройств.

Описание:

НАЗНАЧЕНИЕ ИЗДЕЛИЯ

Лебедка тяговая электрическая ТЛ-9А предназначена для производства подъемно-транспортных операций при строительных, монтажных и других работах, а также для комплектации строительных подъемных устройств.

Лебедка электрическая не предназначена для подъема людей.

Лебедка рассчитана для работы в следующих условиях:


  • окружающая среда - невзрывоопасная;
  • температура окружающей среды от +40°С до - 40°С;
  • рабочее положение - крепление на горизонтальной площадке;
  • режим работы легкий;
  • рабочее напряжение 380В, частота тока 50Гц.

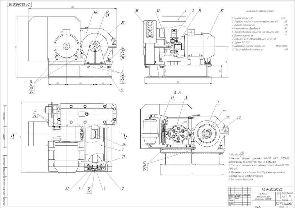
Основные технические характеристики

  • Тяговое усилие, кгс - 1250
  • Скорость навивки каната на первом слое, м/с - 0,5
  • Диаметр барабана, мм - 219
  • Канатоемкость барабана, м - 80
  • Электродвигатель мощность при ПВ=40%,кВт - 7,5
  • Диаметр каната, мм -11
  • Редуктор 1Ц2У-200 передаточное число - 31,5
  • Тормоз ТКГ-200
  • Габаритные размеры лебедки, мм - 1002х810х694
  • Масса лебедки без каната, кг - 435